검색결과 리스트
글
Studer A810 수리 ,오버홀 및 캘리브레이션
약 3 주전 의뢰 받은 스튜더 A810 릴 데크. 업무용 가운데 가장 성능이 좋은 기기 중 하나이며 2 채널 스테레오로는 업무용중에서도 최고급 기종의 하나이다. 의뢰자는 독일에서 직접 구입 하였다고 하였는데 전원을 넣으면 바로 Fuse가 나가는 상태라서 테스트도 못해보았다고 한다.
시간이 걸리더라도 완벽하게 수리하고 필요한 부품은 교체하고 캘리브레이션 해달라는 의뢰를 받았다.

내부를 열어 보니+,- 15VV를 공급하는 전원부의 휴즈가 5A인데 전원이 들어가면 바로 끊어진다.

인터넷으로 서비스 매뉴얼을 찾아 보니 수백페이지에 달하는 방대한 양으로 PDF 파일로 3 개로 나누어 전송되어 왔다.


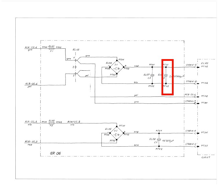
전원부 회로도를 보면서 일단 다이오드 부터 체크 하니 10000uF/63V 전해 콘덴서가 Short 된 것 같다.
항상 문제가 많은 Frako 사 제품.
문제는 윗면의 볼트가 있는 신품을 구하기 어려워밑의 사진과 같이 캔의 밑면을 잘라 내용물을 빼내고 새 콘덴서를 넣어 해결 했다.



콘덴서를 신품으로 교체 했는데도 계속 fuse가 끊어진다. 정전압 레귤레이터 부분을 살펴보니 2SC3012라는 파워 트랜지스터가 고장 나있었다. 어렵게 신품을 구해서 교체 하였더니 전원이 정상적으로 들어온다.


가장 왼쪽의 대용량 파워 트랜지스터가 파괴되어 있었다.

전원은 정상적이지만 동작은 전혀 되지 않는다. A810의 가장 큰 문제 MPU보드의 니켈 망간 전지가 누액이 되어 주변 IC 회로부의 기판 패턴을 파괴 하는 것이다. 이것은 뇌에 해당하는 보드로 이것을 구하는 것이 관건이다.
A810 기기를 갖고 있는 분이라면 지금이라도 반드시 체크 해 보아야 할 기판이다.

인터넷으로 검색하니 아에 보드를 새것으로 만들어 판매 하는 곳이 있는 것 같은데 절판.

다행히 캐나다에서 중고지만 상태가 좋다는 보드가 하나 남아 있어 구입. 15일 정도 걸려 도착 하였다.
보드를 꼽고 동작 시켜 보니 동작이 되지 않는다. 절망감. ...
기존의 보드와 비교해 살펴 보니 점퍼 설정이 하나 다르다. 이것을 동일하게 했더니 드디어 정상 동작


다른 오디오 기판도 점검하고 의심되는 곳은 교체 해 주었다.


캘리브레이션 중. 15 ips로 NAB와 CCIR EQ를, 7 1/2 ips로 NAB EQ에 대한 재생및 녹음 캘리브레이션을 해야 하기 때문에 캘리브레이션 시간만 2 시간 이상 소요된다.


캘리브레이션을 완료 한 다음 Sheet에 그 값을 적어 놓아 MPU보드의 배터리가 전압을 잃어 그 값이 소멸 되었을 때 다시 입력 시키기 위한 대비를 한다.
모든것이 잘 진행되었지만 헤드의 마모 상태가 닳아서 Flat 해진 부분이 약 3mm 정도 되어 재생시 약간의 고역 감소 현상이 계측기에서 관찰 된다. 고역 보상을 위해 캘리브레이션하면서 조정을 했지만 너무 과도한 보상은 음질에 역 효과가 나므로 적당한 선에서 타협하였다.
실제로 청감상에서는 거의 모를 정도이다.
수리및 모든 조정이 완료 된 후 기쁜 마음으로 이 기기를 전달해 드렸다. 이번고 년말의 경기도 안성에서 대형 카페를 운영하시는 분이 의뢰한 A810기기의 간단한 수리 및 캘리브레이션 결과로 이 기기에 대해 많은 배울 기회가 되었다.
'Audio recording' 카테고리의 다른 글
| Studer A810 수리 및 캘리브레이션. 4번째 (0) | 2026.02.02 |
|---|---|
| Akai GX 747 reel deck 수리, 업그레이드 및 캘리브레이션 (0) | 2026.01.21 |
| Beocord 2400 reel tape deck 점검 (0) | 2025.12.20 |
| Tandberg TD20A SE 수리 및 업그레이드,캘리브레이션 (7) | 2025.12.13 |
| Teac A-6010 GSL reel tape deck 수리 및 캘리브레이션. (0) | 2025.11.25 |
