검색결과 리스트
Audio recording에 해당되는 글 174건
- 2026.04.17 Studer A810 Tention board 수리
- 2026.03.14 studer A807 고장 수리 26년 3월 14일
- 2026.03.10 Studer A810 수리 26년 3월 9일
- 2026.03.08 Studer A807 수리 및 캘리브레이션
글
Studer A810 Tention board 수리
지난달 플레이시 속도가 늦어지는 현상이 있어서 수리 및 캘리브레이션을 했던 기기가 다시 한번 수리 요청에 들어왔다.
문제는 테이프가 다 끝나도 자동으로 정지되지 않고 stop 버튼을 눌러야지 된다는 것.
서비스 매뉴얼에 따르면 tention board 조정과 end of tape 스위치가 제대로 작동하는지 여부를 점검해야 된다는 것이었다.


조정을 위해서 앞면 패널을 떼어냈다.

서비스 매뉴얼에 따르면은 tention sensor arm이 완전히 내려오는 중립 위치에 있을 때
0V가 나와야 되는데
왼쪽 보드를 측정해 보니 0.89V가 나온다.
R5 반고정저항을 통해서 이를 0 V로 맞춰주었다..

오른쪽 보드는 0.21v로 측정되는데 반고정 저항이 이미 최소로 내려져 있어서 더 이상 조정에 불가했다.

왼쪽 편 보드의 tention sensor 스프링.
서비스 매뉴얼에서 나온 것과 같은 제대로 된 스프링이 달려 있다.

문제는 오른편 쪽 스프링 스프링 부분이 3분의 1 정도로 작다.
그래서 테이프가 끝났을 때 텐션 센서 암을 빠르게 끌어내리지 못한다.

서비스 매뉴얼에는 좌우 양쪽에 똑같은 형태의 스프링이 사용되고 있다.


인터넷 서치를 해서 뒤져봐도 역시 양쪽 똑같은 스프링이 사용되고 있는데 왜 오른쪽 부분만 그런 스프링이 들어가 있는지 모르겠다.
이 결과로 테이프가 끝났을 때 바로 stop 되지 않고 약 1 ~2초 정도의 시간이 걸리는 현상이 발생한다.
다행히 end of tape 스위치는 양쪽 모두 정상 작동하고 있음을 확인할 수 있었다.
'Audio recording' 카테고리의 다른 글
| studer A807 고장 수리 26년 3월 14일 (0) | 2026.03.14 |
|---|---|
| Studer A810 수리 26년 3월 9일 (0) | 2026.03.10 |
| Studer A807 수리 및 캘리브레이션 (0) | 2026.03.08 |
| Akai GX 747 LED meter model 수리 및 캘리브레이션. (0) | 2026.03.02 |
| Revox A77 mk3 2 track 오버홀, 캘리브레이션. (0) | 2026.03.01 |
설정
트랙백
댓글
글
studer A807 고장 수리 26년 3월 14일
스투더 업무용 릴데크에 대한 수리 의뢰가 계속되고 있다.
이번에 의뢰받은 스튜더 A807은 play가 되지 않고 fast forward 및 rewind시에서도 조금 가다가 바로 서버리는 문제가 발생 한다고 한다.
그렇지만 또 어떤 때는 제대로 동작하는 경우도 있다고 하면서 수리를 의뢰해야 했다.


일단 내부를 열어 회로 상태를 점검한다..

증상으로 보아 전류를 제대로 공급하지 못하는 것으로 판단되어 이 부분을 먼저 점검한다.
정전압 레귤레이터 IC 중 중앙에 있는 +15v 정전압 IC인 317T 고장이 많다. 이것을 일차적으로 교환해 주었다.


LM317T와 337T의 효율적인 방열을 위해 알루미늄 패널에 4 mm 구멍을 뚫어서 볼트와 너트로 완전히 밀착해 두었다.


캡스턴 모터 및 릴 모터 제어 부분 회로이다. 아직은 괜찮지만 고장이 많은 독일제 Frako 전해 콘덴서가 아직도 사용되고 있다.


서비스 매뉴얼을 보고 인터넷 커뮤니티에서 나온 글 등을 조사해 본 결과 move sensor 고장이라는 의심이 강하게 들었다.
이 보드를 떼어내어 트랜지스터를 점검하고 전해 콘덴서를 교체했다. 그리고 냉납이 발생할 수 있었기 때문에 이 보드에 있는 납땜을 전부 다 다시 해 주었다.
그 결과 정상 동작 수리 완료 되었다.



의뢰한 부분은 아니지만 모니터 스피커에서 나오는 음이 모니터 볼륨을 돌릴 때마다 잡음이 심해서 deoxit f5로 처리를 해주었지만 그다지 개선이 되지 않는다.
이 같은 볼륨읲지직 거리는 잡음 문제를 근본적으로 개선하기 위해서는 신품 볼륨으로 교체해야 되는데 이제는 신품을 구하기가 어렵기 때문에 참으로 난해하다.
실제로 음악 감상에는 큰 문제가 없기 때문에 그냥 지나가기로 했다.
수리를 마치고 캘리브레이션 전에 헤드에 대한 de magnetizing 을 먼저 하고 헤드를
무수 에티알코올로 잘 닦아낸다.


헤드 상태가 비교적 좋은 편이다.


헤드 Azimuth 조정
캘리브레이션을 시작하고 외부 오디오 테스트 신호를 입력시켰더니
라인 입력에서
볼륨을 통하고서는 신호가 들어가지 않고 Uncal 상태에서만 신호가 들어간다.
회로도를 보니 ic 3 5532 op amp나 ic4 멀티플렉서인 cd4053 둘 중에 하나가 고장인 것 것 같아. 이를 모두 신품으로 교체했더니 해결이 되었다.


캘리브레이션을 마치고 시청을 하였더니 아주 좋은 결과가 얻어졌다.
재생은 물론 15 ips 과 7 1/2 ips에서 녹음시 고역 부분이 아주 훌륭하게 잘 재생이 돼서 음이 생생하게 살아있다.
'Audio recording' 카테고리의 다른 글
| Studer A810 Tention board 수리 (0) | 2026.04.17 |
|---|---|
| Studer A810 수리 26년 3월 9일 (0) | 2026.03.10 |
| Studer A807 수리 및 캘리브레이션 (0) | 2026.03.08 |
| Akai GX 747 LED meter model 수리 및 캘리브레이션. (0) | 2026.03.02 |
| Revox A77 mk3 2 track 오버홀, 캘리브레이션. (0) | 2026.03.01 |
설정
트랙백
댓글
글
Studer A810 수리 26년 3월 9일
요즘 스튜더 프로용 릴 테이프 데크에 대한 수리 의뢰가 많아지고 있다.
이번에 의뢰 받은 기기는 작년에 미국에서 약 14000$ 정도 가격을 주고 오버홀 완료한 기기라고 해서 구매해서 잘 사용했는데 몇 달 전 부터 왼쪽 텐션암이 처지고 해서 사설 업체를 통해 몇번 수리 했지만 증상이 크게 개선되지 않고 오히려 Play시 음이 느려진다고 하면서 의뢰를 하셨다.

외관도 아주 좋은 상태이고 내부 회로 상태도 깔끔하다. MPU 보드의 배터리 누액 흔적도 없고 새 배터리로 교체 되어 있다.
의뢰자께서는 전면적인 recapping도 부탁 했지만 회로의 부품 상태가 양호하여 굳이 비싼 비용을 들여 가면서 그럴 필요 없다고 일단 수리및 필요시 캘리브레이션 등을 권유 하였다.
A810은 모델에 따라 속도를 가변 시킬 수 있는 모델이 있는데 이 모델은 그런 기능은 없고 4가지의 고정 속도만을 제공한다. Capstan motor는 PLL 제어를 통해 정속을 유지하도록 되어 있다.
테스트를 해보니 분명 음이 크게 늘어진다. 그런데도 캡스턴 모터 PLL 회로는 정상적으로 작동함을 알려주는 노란색 LED가 점등되어 있다. 그러므로 Capstan motor 는 정상적인 속도로 돌고 있다는 것을 알수 있다.
그럼에도 불구하고 음이 늘어지게 들린다면 지금까지 경험으로 이런 경우는 핀치롤러가 캡스턴 모터 축에 완전히 밀착되지 못하거나 핀치롤러가 닳은 경우에 발생한다는 것을 경험적으로 알고 있어 이쪽 부분에 대해 집중한다.
일단 핀치롤러 상태는 양호한 편이다. 그래도 몰라 떼어내어 고무 표면에 붙은 이물질을 완전히 제거 하니 살짝 증상이 개선된다. 하지만 아직도 확실히 음이 느려진다.
그러면 다음 단계로 해 보아야 할 것은 핀치롤러를 올려주는 solenoid 간격을 조정하는 것

서비스 매뉴얼에 따라 분해에 들어 간다.


왼쪽 하단에 보이는 솔레노이드의 나사 2 개를 풀어 간극을 조정한다. 그래도 별로 개선되지 않고 오히려 더 나빠지는 경우가 많았다.
시간을 가지고 해 보아도 개선이 안된다.
일단 중단하고 다시 서비스 매뉴얼을 탐독한다.

500페이지가 넘은 장대한 매뉴얼을 뒤져 가며 읽다 보니 양쪽 릴 모터의 tention 조정에 관한 부분에 눈이 꼳힌다.
국내 사설업체를 통해 왼쪽 텐션암에 대한 수리를 받았다고 하니 이쪽 부분에서 잘 못 조정이 되었을 수도 있겠다 싶었다.


헤드 블럭을 떼어낸 김에 Demagnetizing을 하고 다시 한번 헤드 표면을 딱아낸다.
헤드는 미국의 JRF magnetics사를 통해 relapping 했음을 알려주는 스티커가 붙어 있다. 현재의 헤드 상태는 우수한 편으로 보인다.

tape deck contrller 보드의 반고정 저항 설정 상태를 보니 supply motor의 play시 값이 거의 끝까지 돌려져 있다.
갖고 있는 Tentelometer로 장력을 재어 보니 supply motor의 back tension이 지나치게 높게 되어 있다. 서비스 매뉴얼에 따라 적정 장력이 나오도록 조정하니 이제야 정상적인 속도로 재생이 이루어 진다.

요약하면 capstan motor는 제대로 돌고 핀치롤러 및 solenoid도 정상인데 back tention이 너무 강하여 play시 테이프를 너무 큰힘으로 뒤로 잡아 다녀서 일어난 문제였다. 문제 해결까지 오후 시간 전부을 소비 했지만 보람이 있다.
미국에서 오버홀한 기기라고 해서 구매 했다고 했는데 오버홀이라기 보다는 정확히는 캘리브레이션을 마친 기기라고 보면 될 것 같다. 굳이 다시 캘리블레이션 할 필요 없을 정도로 정확한 재생이 됨을 느끼고 수리 및 간단한 정비를 마쳤다.
'Audio recording' 카테고리의 다른 글
| Studer A810 Tention board 수리 (0) | 2026.04.17 |
|---|---|
| studer A807 고장 수리 26년 3월 14일 (0) | 2026.03.14 |
| Studer A807 수리 및 캘리브레이션 (0) | 2026.03.08 |
| Akai GX 747 LED meter model 수리 및 캘리브레이션. (0) | 2026.03.02 |
| Revox A77 mk3 2 track 오버홀, 캘리브레이션. (0) | 2026.03.01 |
설정
트랙백
댓글
글
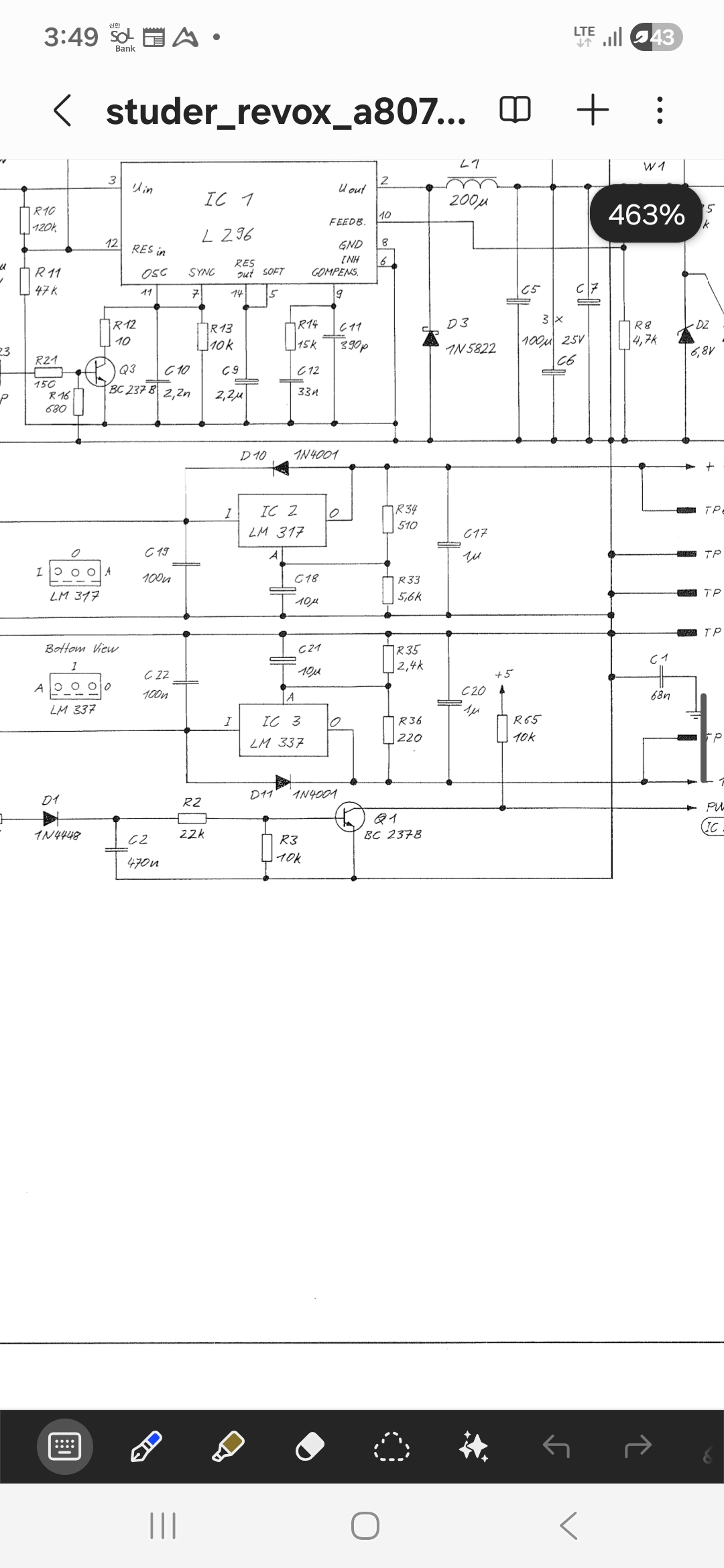
Studer A807 수리 및 캘리브레이션
경기도 화성에서 의뢰 받은 기기. 3주전 쯤 테크닉스 RS1500 데크 에 대한 정비 및 캘리브레이션을 하신 분이 갖고 계신 기기로 사용중이지만 고가의 정밀 기기인 만큼 캘리브레이션을 해서 좀 더 완벽하게 해서 사용하는게 좋겠다는 조언을 듣고 맏기셨다.

오랜 세월의 흔적이 남아 있는 분리형 모델.

헤드의 닳음도 약 3 mm 정도에 육박하여 고역 주파수대의 감소가 살짝 걱정되었다.

일단 입고 테스트로 1 KHz tone 주파수를 재생하여 보니 약간의 우우 하는 소리가 들린다. 이는 핀치롤러가 노화 되어 표면이 닳아 테이프를 제대로 캡스턴 모터 축에 밀착 시키지 못하거나 미세한 slip 현상이 일어날 때 생기는 현상이다. 재생은 그런대로 사용에 지장이 없지만 녹음까지 하면 그 영향이 배가 되어 조치가 필요하다. 내부를 열어 핀치롤러를 밀어 올리는 Solenoid 간격을 끝까지 올려 보아도 별 소용이 없다. 결국 새로운 핀치롤러가 필요한데 마침 보유하고 있는 것이 소진되어 독일에 주문을 넣었다.

15 ips 속도에 대한 NAB와 CCIR EQ 및 7 1/2 NAB EQ에 대한 재생 캘리브레이션을 정상적으로 완료 하고 녹음 캘리브레이션을 위해 녹음 버튼을 누르니 누르자 마자 녹음 기능이 해제 되어 버린다. 이상한 것은 한쪽 채널로만은 녹음 기능이 되는데 스테레오 양쪽 채널을 모두 녹음으로 설정하고 녹음 버튼을 누르면 해제 되어 버리는 현상이 계속 반복된다.
녹음을 마지막으로 해 본 것이 언제 였나고 문의 하니 2~3 달전이고 그 때는 정상적으로 녹음이 되었다고 한다. 아마 그 사이 언제인가 고장이 났을 가능성이 많은데 지금 발견된 것.. ㅠㅠ

오디오 신호 보드 에 대한 점검. 채널 별로 2개가 있다. 회로도를 따라 이런 현상이 일어날 만한 곳. 특히 +,-15V 가 사용되는 곳을 모두 점검하고 OP amp IC 등을 새것으로교체 해 보았다. 전해 콘덴서 일부도 교체 해도 거의 같은 증상.

매우 복잡한 전체 제어 보드 . 이쪽 부분에서 고장이 일어나면 진짜 원인을 찾기 힘들다. EPROM 및 CPU 가 있는 부분으로 일단 EBAY에 찾아 보니 신품 보드가 있어 만약을 위해 일단 주문을 해 놓았다. 배송료및 관세까지 더하면 80만원 이상.
비싸지만 대안이 없다. 대략 도착 까지는 2 주 정도 걸리므로 그 간에 서비스 매뉴얼을 탐독하고 회로도를 추적하여 원인을 찾아 나가지만 좀처럼 진전이 없다. 그 사이 세운 상가에 가서 5532, 4559 OP amp IC 및 TTL 논리 IC 등을 사서 교체 보아도 요지 부동.

답답한 마음에 인터넷 커뮤니티에서 Studer A807의 고장 및 수리에 관한 글을 찾아 통독하여도 마땅한 해결책이 없어 tapehead.net 커뮤니티에 질문을 했더니 그런 고장은 전원부 문제 가능성이 가장 크니 다시 한번 체크 해 보라는 답변이 올라 왔다. 전압을 찍어 보니 분명 +,-15V 가 나오고 있어 의심을 안했는데 처음 부터 다시 살펴 보기로 했다. 다이오드 및 정류용 전해 콘덴서 그리고 정전압 레귤레이터 IC를 살펴보니 IC를 방열판에 밀착시켜 주는 클램퍼가 허술해서 방열판에 제대로 밀착 되지 못한 것이 발견되었다. 그 틈은 아주 미세하여 자세히 보지 않으면 안되어 처음에는 그냥 지나쳤던 것이다.

결국 가장 의심이 되는 LM317과 LM337 IC를 신품으로 교체 해보기로 하고 일단 LM317T를 교체 하고 방열판에 순간 접착제를 사용하여 완벽하게 밀착 시켰더니 '빙고'
아마 그 IC가 방열판에 밀착되지 못하고 약화 되어 있다가 전류가 많이 먹는 스테레오 녹음 모드로 들어가니 전압이 떨어지면서 녹음 기능이 계속 해제 되었던 것 같다.

그 이후 녹음 캘리브레이션까지 잘 마친 상태. 이번 기회를 통해 Studer A807에 대한 공부를 많이 하게 되었다.
'Audio recording' 카테고리의 다른 글
| studer A807 고장 수리 26년 3월 14일 (0) | 2026.03.14 |
|---|---|
| Studer A810 수리 26년 3월 9일 (0) | 2026.03.10 |
| Akai GX 747 LED meter model 수리 및 캘리브레이션. (0) | 2026.03.02 |
| Revox A77 mk3 2 track 오버홀, 캘리브레이션. (0) | 2026.03.01 |
| Revox A77 4 track reel deck. 수리 및 오버홀, 캘리브레이션 (0) | 2026.02.12 |
