검색결과 리스트
글
Studer A810 수리 및 캘리브레이션. 4번째
수원에 계시는 오디오 애호가가 의뢰한 스튜더 A810 .
한쪽 채널의 음이 중저음이 제대로 나오지 않아 음이 매우 거친 듯하다면서 동시에 전반적인 점검과 캘리브레이션을 의뢰 하였다.
랙 마운트 형의 큰 기기를 힘들게 운반 하여 주셨는데 전원을 넣어 보니 'EEE01' 이란 에러 코드가 뜬다. 이는 캘리브레이션 메모리가 지워졌다는 뜻이다.
A810 기기에서 이제는 대부분의 기기에서 나타나는 3.6V의 NI-MH 배터리 노후화의 징조이다. 전압이 떨어져 더 이상 캘리브레이션 값을 저장하지 못하고 있음을 알려 주는 에러 코드이다.


헤드 부분을 보니 오래 된 테이프 , 특히 Sticky shed Syndrome 현상이라고 하는 끈적 거리는 자성체 찌거기를 남기는 테이프 사용으로 많이 오염 되어 있다. 일단 무수 에틸 알콜로 깨끗이 딱아낸다.

헤드 청소를 하고 난 후 헤드 상태를 보니 많은 사용으로 헤드의 평탄해진 부분이 3mm 가 넘어 가고 있다. 헤드 특성이 좀 아쉬울 것 같은 생각이 든다.
시험적으로 1 KHz 테스트톤을 재생하여 보니 음이 ' 우웅 우웅' 하는 wobble 현상이 나타난다. 이는 핀치롤러가 닳았던지 아니면 핀치롤러가 캡스턴 모터 스핀들에 완전히 밀착하지 못하는 경우 발생한다.
보유하고 있는 핀치 롤러중 상태 좋은 것으로 바꾸어 보아도 약간의 개선만 느껴지지 완벽하지 않다.

서비스 매뉴얼을 찾아 보니 핀치롤러 암을 좀 더 밀어 올려 줄 수 있도록 solenoid 유격을 조정하라고 되어 있다. 헤드 커버 등을 열어 내부의 solenoid 를 지지 하는 2 개의 볼트를 풀어 뒤로 최대한 밀어 고정 시킴으로서 문제를 해결하였다.

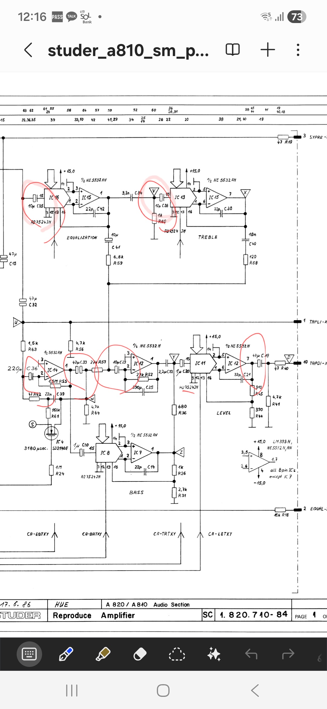
다음으로 의뢰를 받은 가장 큰 문제인 중저역음이 제대로 나오지 않고 음량도 작은 문제 점을 해결하기 위해 Reproduce bord를 꺼낸다. 2번 채널은 이상이 없고 1 번 채널에 만 그런 현상이 나온다. 재생 스위치를 reproduce 와 Sync로 바꾸어 보아도 같은 현상이다. 따라서 이들 뒷단에 위치하는 회로에서 문제가 나오고 있다고 유추 될 수 있다.

일단 IC 소켓에 꼽혀 있는 NE5532op amp를 신품으로 교체 해 보았다. 같은 결과. 그러면 위 회로도에서 표시한 커플링 콘덴서 하나 또는 일부의 용량이 크게 감소 했다는 것으로 해석된다.
이 보드에서는 10 uF의 것은 탄탈 콘덴서로 , 그 이상은 전해 콘덴서가 사용되고 있는데 이를 전부 NIchicon사의 Muse 무극성 콘덴서 등 오디오급 콘덴서로 교체 했더니 '빙고' .
단지 양면 기판에 납땜이 이중으로 되어 있어 교체 작업이 매우 힘들고 조심스럽다. ㅠㅠ

다음 문제로 위에 표시한 메모리 값을 유지 시켜 주기 위한 배터리 교체. 세운상가 주변에 가서 신품으로 교체 한 후 어느 정도 캘리브레이션을 했는데 다음 날 다시 작업을 하려고 보니 다시 동일한 에러 코드가 뜬다.
바로 체크 해 보니 신품배터리 전압이 1V 까지 내려 가 있다. 이는 어딘가를 통해 계속 방전 된다는 것. 회로도를 보니 정작 메모리 IC 자체를 통하지 않고는 방전 될 부분이 없다. 결론적으로 이 IC가 불량이라는 의심이 크게 들었다.

인터넷을 검색해 보니 MPU 보드를 새로 만들어 325 파운드에 판매 하고 있다. 이 것만 관세 및 송료를 포함하면 60 만원 이상

좀 더 실용적인 선택으로 이 IC를 대체할 새 보드를 구매 하는 일. 95 파운드 . 이 보드의 장점은 배터리 없이도 캘리브레이션 데이타를 저장한다는 것 . 마침 지난번 A810 수리 때 예비로 구매한 보드가 하나 있어 여기서 메모리 IC를 떼어내어 설치 했더니 배터리 값이 떨어지지 않는다. 이로서 또 하나의 큰 문제 해결.
이후 15 와 7 1/2 ips NAB EQ 및 15 ips CCIR EQ에 대한 재생 및 녹음 캘리브레이션은 순조롭게 진행 할 수 있었다.

위의 보드는 의뢰한 분이 갖고 오신 구동계 보드로 3개의 안전 콘덴서가 폭팔하여 하얀 연기를 내면서 회로 일부분을 크게 손상된 보드이다. 가능한 수리 해 볼려고 했진만 회로 패턴까지 완전히 타서 복구 불가.

인터넷에서 구매한 그 보드가 계속 사용해도 될지 점검해 달라는 추가 부탁이 있어서 보았더니 원래의 RIFA 콘덴서가 달려 있다. 다행히 콘덴서 표면에 Crack 이 보이지 않는다. 이 콘덴서는 오래 되면 표면이 깨진 유리 처럼 갈라지면서 그 안으로 습기가 들어가면서 문제를 일으키는 것으로 악명이 높다. Studer와 Revox의 전원부에 많이 사용되었다.

일단 콘덴서 표면에 Crack이 없는 것을 확인하고 이후에도 Crack이 생겨 습기가 들어 가는 것을 방지 하기 위해 글루 건으로 완전히 도포하는 예방 작업을 하였다.

캘리브레이션 과정.
정리하면 작업 내용은
1.채널 1에 reproduce board 수리.
2. MPU board. 신형 배터리 교환 및 메모리 IC 교체 수리
3. Pinch roller 를 밀어주는 solenoid 유격 조정을 통해 테이프가 캡스턴 모터 스핀들에 좀 더 잘 밀착 되게 함으로서 음의 wobble 현상을 없앰
4. 15 와 7 1/2 ips NAB EQ 및 15 ips CCIR EQ에 대한 재생 및 녹음 캘리브레이션.
5. 헤드 부분에 대한 de magnetizing 및 cleaning
등 이며 이외에 태잎 주행 메커니즘 계에 대해 눌러 붙은 테이프 잔여 찌꺼기 등을 아세톤 등으로 녹여서 청소.
몇일간의 작업으로 정상적인 재생과 녹음이 가능하게 되었다. 실제 음악을 녹음해서 재생해서 아름다운 음을 들려 주는 것을 확인하면서 작업을 마쳤다.
'Audio recording' 카테고리의 다른 글
| Revox A77 4 track reel deck. 수리 및 오버홀, 캘리브레이션 (0) | 2026.02.12 |
|---|---|
| 30년전 레코딩 한 CD (0) | 2026.02.06 |
| Akai GX 747 reel deck 수리, 업그레이드 및 캘리브레이션 (0) | 2026.01.21 |
| Studer A810 수리 ,오버홀 및 캘리브레이션 (0) | 2026.01.15 |
| Beocord 2400 reel tape deck 점검 (0) | 2025.12.20 |
