검색결과 리스트
글
Teac A-6010 GSL reel tape deck 수리 및 캘리브레이션.
레코딩 스튜디오에서 사용할 목적으로 구입하였다는 이 기기 1970년대 초반에 발매된 4 트랙 전용 기기로서 릴도 7 inch 릴이 최대 한계이다.
헤드는 순방향, 역방향 재생 헤드 2개와 녹음 순방향 녹음헤드 및 소거헤드 총 4개가 있다.
레트로 한 사운드를 녹음해볼 목적으로 일부러 오래된 녹음기를 구입하였다고 한다. 재생은 어느 정도 되는데 녹음이 전혀 불가하다고 수리와 함께 캘리브레이션을 의뢰하여 왔다.


이 기기는 트랜스포트 및 앰프 부분으로 두 모듈로 구성되어 있고 각각은 케이블을 통해서 서로 연결한다.
특히 앰프 부분이 따로 떨어지기 때문에 수리 및 캘리브레이션 하기가 쉽다.




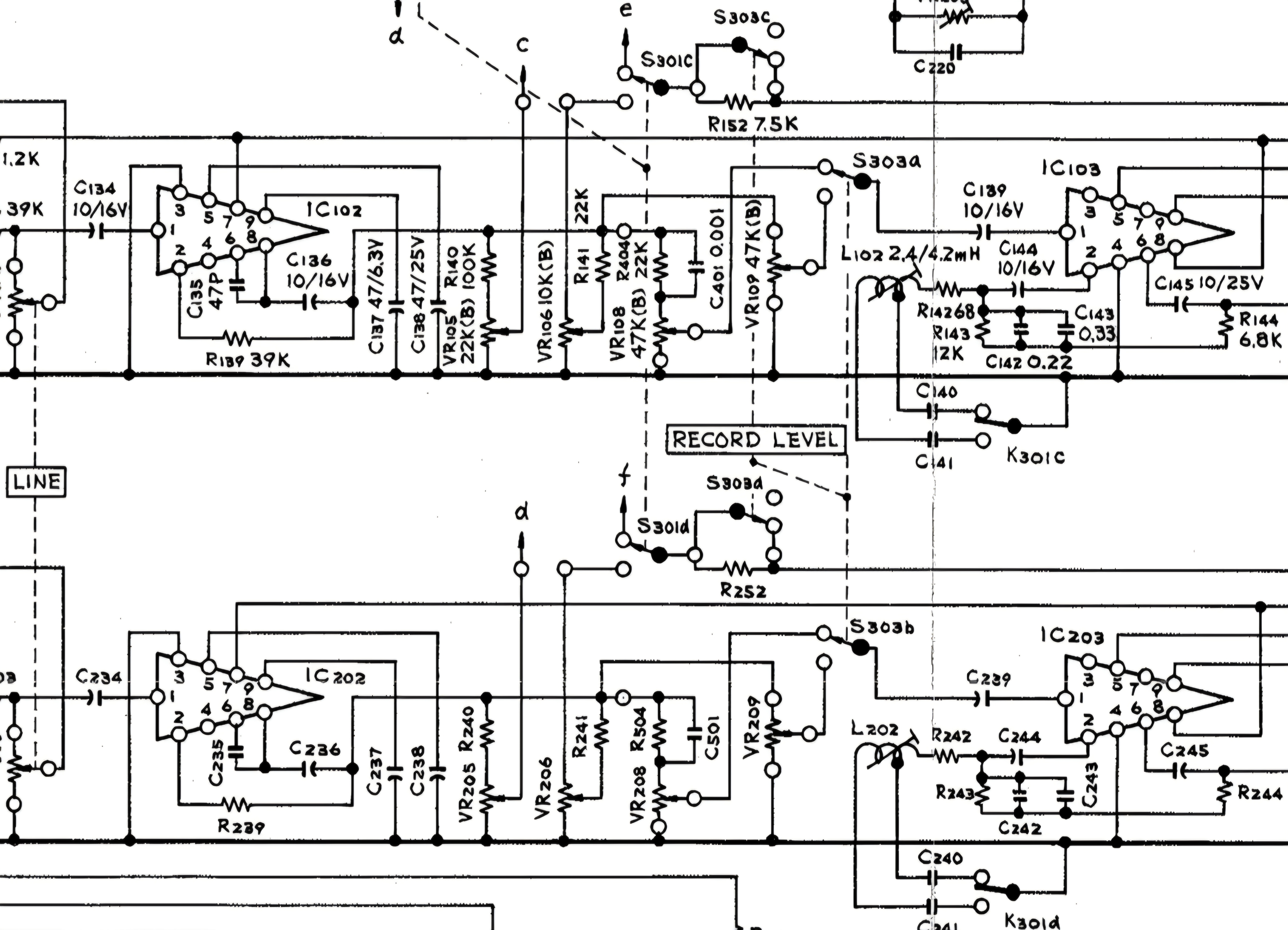
구하기 어려운 초기형 IC가 녹음 단에 사용되었는데
Teac 42710은 Sanyo LD3141 으로
Teac 42709 은 Sanyo LD3120으로 교체가 기능하다.

앰프 부분을 조사하니 라인 입력 및 녹음 부분에 있는 초기형 IC가 이전 수리 시도로 교체되었는데 잘못된 것으로 교체되어 있다.
또한 이전 수리 작업 시 납땜도 떨어진 곳이 많고 콘덴서도 몇 개가 있어야 되는 곳에 보이지가 않는다.

라인 입력던의 IC102, IC 202와 녹음 증폭단의 IC103, IC203이 IC는 9핀 배열의 초기 IC 인데 오래되면 잡음이 많아지고 고장이 잘 나기로 유명하다.
다행히 Sanyo 제품으로 대체 가능한 IC를 제공해 주어서 이제는 구하기 힘든 옛날 부품 구하는 수고는 덜을 수가 있었다.


헤드의 상태는 비교적 제일 좋은 편이고 캘리브레이션 시에도 고역 주파수 응답 특성이 꽤 괜찮게 나왔다.

캘리브레이션 후에 실제 음악으로 녹음을 해서 모니터링을 해 보고 최종 작업을 마무리해야 한다


70년대 초기에 회로이라 릴 구동 트랜스포트 부분의 제어를 로직 IC 대신에 대부분의 릴레이를 통해서 구동되는 것이 특징이다.
생산된지 50년이 지었기 때문에 전해 콘덴서의 용량이 많이 감퇴되었을 것으로 생각되어 전면적인 recapping과 함께 오디오 회로단 및 전원부에 오디오 전용 고급 커플링 콘덴서 등으로 교체할 것을 추천했으나 레트로한 사운드를 구하는 것이 목적이기 때문에 현재 상태에서 잘 작동하는 것으로 충분하다고 해서 수리 및 캘리브레이션 작업을 완료하였다.
다행히 기기의 보존 상태가 좋아서 수리 및 캘리브레이션 후에 실제 음악으로 녹음해서 비교 시청해 보니 꽤 좋은 음질로 들려주어서 그간의 작업 과정을 수고를 보상해 주었다.
'Audio recording' 카테고리의 다른 글
| Beocord 2400 reel tape deck 점검 (0) | 2025.12.20 |
|---|---|
| Tandberg TD20A SE 수리 및 업그레이드,캘리브레이션 (7) | 2025.12.13 |
| Teac X2000R reel tape deck 수리 및 조정 (0) | 2025.11.20 |
| Tube tape pre amp 최종 완성 (0) | 2025.11.17 |
| Nagra 4S reel tape deck 정비 (0) | 2025.11.17 |
