검색결과 리스트
글
Technics RS-1500 릴 데크 수리 분투기

최근에 Technics RS-1500 에 대한 수리 의뢰가 연이어 들어 왔다.
Technics RS-1500 는 내가 갖고 있는 기기 한대를 포함해서 과거에 4 대 정도의 수리와 오버홀, 업 그레이드 및 캘리브레이션 경험을 갖고 있지만 항상 어려운 기기이다.
일단 이 기기는 구동계의 복잡도가 다른 동급의 릴 데크에 비해 3 배 정도 더 크다.
다이렉트 드라이브 직류 모터 구동의 턴 테이블을 처음 선 보인 회사 이기도 한 만큼 야심차게 70년대 후반에 캡스턴 모터는 물론 2개의 릴 모터까지 모두 다이렉트 드라이브 모터를 장착하여 구동하는 독특한 구동 방식을 채택 하였다.
외형적인 특이함과 아름다움과 함께 자신있게 턴 테이블에나 쓰는 스트로보스코프를 부착하여 속도의 정확성을 과시하기도 한다.
문제는 생산된지 40년이 지난 만큼 고장이 잣다는 것이고 한번 고장나면 수리가 매우 어렵다는데 있다. 보드 전체를 정상적인 보드와 교체 하는 것 이외에 보드 하나 하나를 수리 한다는 것은 정말 난해한 일이다.
일단 가장 흔한 증상이 play시 속도가 정속으로 유지 되지 않고 좌,우로 흐트러지는 현상.
이것은 그래도 2 현상 오실로스코프로 동기 타이밍을 조정하면 해결되는 경우가 많다. 80% 정도 즘. 이래도 안되면 Capston motor conrol board를 갈아야 한다. 이 보드의 복잡도는 웬만한 인터그레이티드 앰프 전체 회로에 버금 갈 정도이다.
다음으로 흔한 고장이 FF, REW, Play, STOP 등 제어 버튼이 제대로 되지 않는 경우. 이 경우는 Tape control board 에서 고장이 있는 경우와 제어 신호를 받아 2 개의 Take UP과 Supply Motor를 구동하는 Reel motor drive board및 Tension control board 에서 고장하는 경우가 있다.
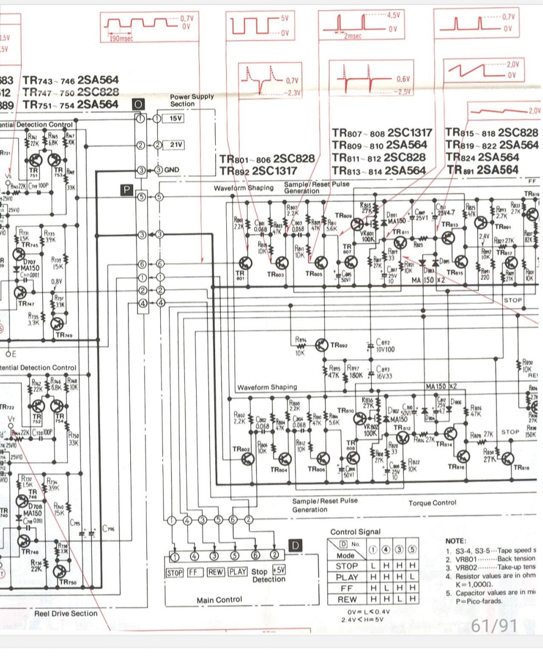
특히 Reel motor drive board 보드에서 고장나는 경우가 많은데 이 회로는 정말 복잡하여 이 보드 자체를 수리한다는 것은 정말 끔찍한 일이다. 웬만한 인티 앰프 1.5 배 이상의 복잡도와 트랜지스터를 갖고 있는데 앰프 처럼 오디오 신호를 입력하여 각 단의 신호를 오실로스코프로 추적하여 고장 부위를 찾아 내가가 아주 난해 하다.



Reel motor drive board만의 회로도. 복잡성이 극악.
이러한 어려움을 일찍 알아서 가끔 Ebay에서 관련 보드가 나오면 나중을 위해 구입해 두었다.
이렇게 예비로 구입한 보드가 모두 5~6 개.

지난 주 수리에서 Tape control board 하나를 유용하게 잘 활용하여 수리를 마쳤다.
이번에 의뢰가 들어 온 기기는 Rewind 기능이 전혀 듣지 않고 Play시 바로 서버리는 문제가 있다. 외관은 정말 깨끗해서 고장 난 상태로 두기에는 너무 아까운 기기이다.
받고 나서 보드 점검을 하니 이번에는 Tape control board 는 괜찮은데 Reel motor drive board및 Tension control board 보드에서 고장이 난 것으로 판명 되었다.
기존의 보드를 떼어내고 보유하고 있는 예비 보드로 교체 했더니 다른 이상 증상이 나타난다.
결론적으로 Ebay에서 작년에 구해 해 둔 Reel motor drive board 도 고장품..

예비로 사 둔 보드 사두기만 하고 체크는 안했는데 이번에 테스트 하니 불량 보드였다.

다시 Ebay를 뒤지니 벨기에의 한 업자가 이 보드 2 개를 팔고 있어 Tension control board 와 함께 일단 모두 구입 하였다.
약 2 주 정도 있어야 도착 할 것 같은데 정상적인 보드 이길 바란다.
아니면 밑에 서비스 매뉴얼을 보면서 오실로스코프로 트랜지스터 하나 하나의 파형을 보고 고장 난 부위를 찾아내야 하는 극한 작업을 해야 한다.

2일째


테이프 컨트롤 보드에 TR을 모두 떼네. 트랜지스터 테스터로 검사 60여개 모두 떼내서 검사했으나 이상 없었다. 완전 미궁에 빠지게 된다.
물론 다이어드도 모두 체크했는데 이상이 없었다
'Audio recording' 카테고리의 다른 글
| Technics RS 1500 reel deck 수리 완료 (0) | 2025.11.10 |
|---|---|
| 전남 광주에서의 릴 테이프 데크 수리, 조정 출장 (3) | 2025.10.19 |
| Technics RS-1500 reel deck 수리 및 업 그레이드 (0) | 2025.10.06 |
| Tascam BR20 reel deck Calibration. (0) | 2025.10.03 |
| Akai GX 630d reel deck 수리, 오버홀 및 캘리브레이션 (0) | 2025.09.29 |
