검색결과 리스트
글
Teac X 1000R 수리 part 1
Audio recording
2025. 8. 26. 13:24
728x90
부산에서 올라온 또 하나의 기기.
생각보다 많은 문제점을 갖고 있다. 일단 순방향 및 역방향 재생이 전혀 되지 않는다. 캡스턴 벨트가 제대로 있는지 의심된다.
또 Rewind 는 되는데 Fast forward 가 되지 않는다.

기기 분해에 앞서 각종 커넥터에 대한 표시를 일일이 하고 여러 장의 사진을 찍어둔다. 재조립을 위해

전원 및 서버 보드 모습 일단 부품 상태는 깨끗한 편이다. 물론 오래 사용을 위해서 전원부의 전해 콘덴서 등은 나중에 교체해주는 것이 좋다

캡스턴 모터가 돌지 않는다. 떼어내어서 확인 할 필요


가장 고장나기 쉬운 파워 트랜지스터를 교체 하고나니 정상적으로 동작. 이것은 9V 건전지로도 체크가 가능하다.


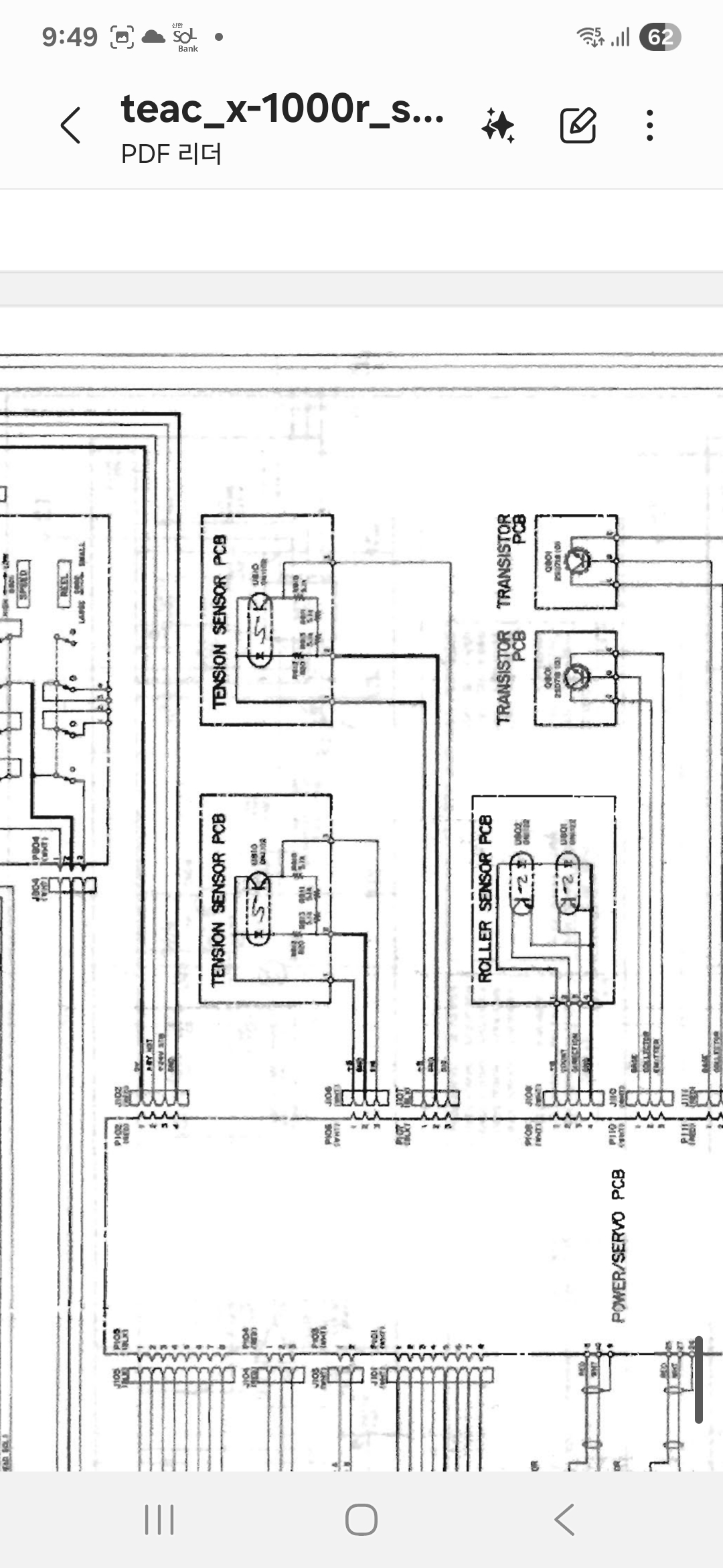
인터넷 상에 나와 있는 서비스 매뉴얼 및 각 각종 자료 등을 통해서 Fast foward가 되지 않는 것은 tension arm 위치가 매우 중요하다는 것을 알았다.





Tension arm 이 중간 위치에 고정시켜 놓고.
5 V가 되도록 뒷면에 철판 레벨을 손으로 조정을 해야 되는데 이 과정이 매우 까다롭다
'Audio recording' 카테고리의 다른 글
| Teac X 1000R 릴 데크 수리, 업 그레이드 및 캘리브레이션.part 2- (0) | 2025.09.23 |
|---|---|
| Akai GX 266D 수리및 오버 홀, 캘리브레이션. (0) | 2025.09.15 |
| Revox PR99 MK1 완전 오버홀 업그레이드 및 캘리브레이션 (4) | 2025.08.24 |
| RCA RT 21 reel deck Calibration (0) | 2025.08.20 |
| Teac x2000r 릴 테이프 데크 수리, Recapping 및 캘리브레이션 (5) | 2025.08.10 |
