검색결과 리스트
글
카세트 데크의 Playback amp에 대한 생각과 실험
릴 테이프 데크에 이어 카세트 데크에 대한 재생을 생각해 보고 자료 조사 등을 하였다.
카세트 데크에서 가장 좋은 소리를 끌어 낼려면 어떻게 할까에 대해서 정리 해 보았다.
1. 3 헤드 데크 , 즉 재생과 녹음 헤드가 분리 된 모델이 우수하다. 그런데 카세트 데크의 3 헤드 데크 모델은 Nakamichi를 제외하고는 거의 모두다가 재생및 녹음 헤드가 물리적 으로 하나로 결합된 헤드를 사용한다. 때문에 재생 전용 카세트 데크용 헤드 구하기가 매우 어렵다.
헤드의 종류도 여러가지 있지만 가장 나중에 개발 된 아몰퍼스 헤드의 음질이 제일 좋다고 알려 져 있는데 3 헤드 데크이면서 이 헤드를 장착한 모델은 80년대 중반 이후에 나온 소니와 아이와의 플래그 쉽 모델 몇 종류 밖엔 없는 것 같다.
2. 주행 메커니즘이 안정적인 데크가 필요하다. 이 역시 80년대 나온 전자 제어식 또는 다이렉트 드라이브 방식의 모델이 필요하다.
3. playback amp 회로가 우수한 설계에 최고급 부품을 사용한 회로가 바람직 하다.
4. VU 미터가 아름다운 모델도 중요한 요소이다.
이런면에서 떠오르는 모델이 Nakamichi 1000ZXL, Dragon, Tandberg 3014A, Revox B215 등이 있다. 서비스 매뉴얼을 구해 살펴 보면 다음과 같다.

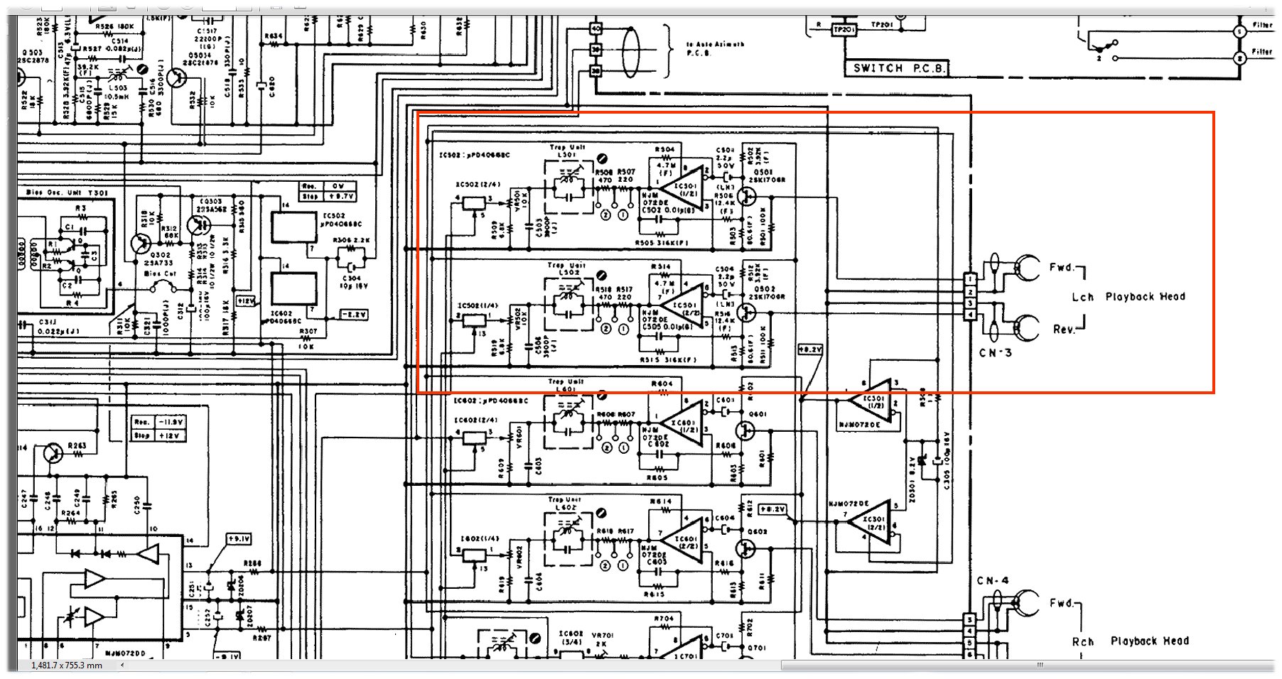
이번에 실험에 쓰인 Kenwood KX-880G 데크의 palyback amp 회로. op amp로 간단히 이루어져 있다.
2 헤드 데크 뿐 아니라 3 헤드 데크의 상당수 모델도 이와 같이 op amp만으로 이루어 진 경우가 많다.

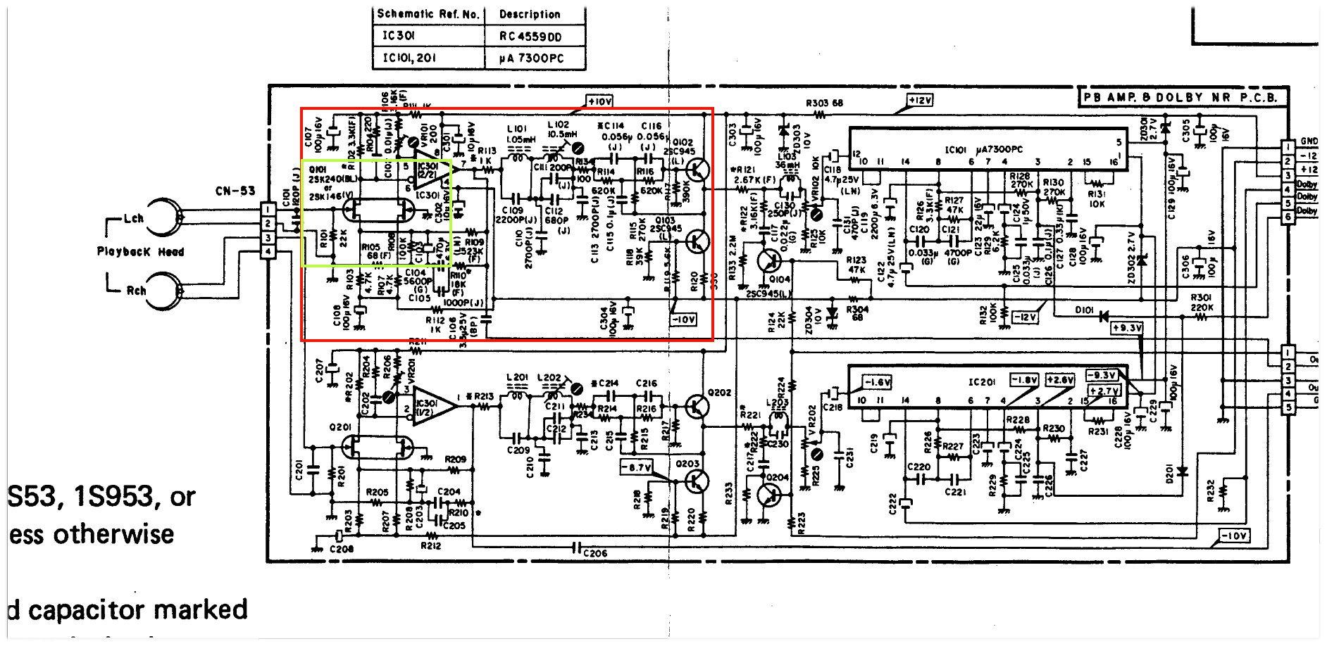
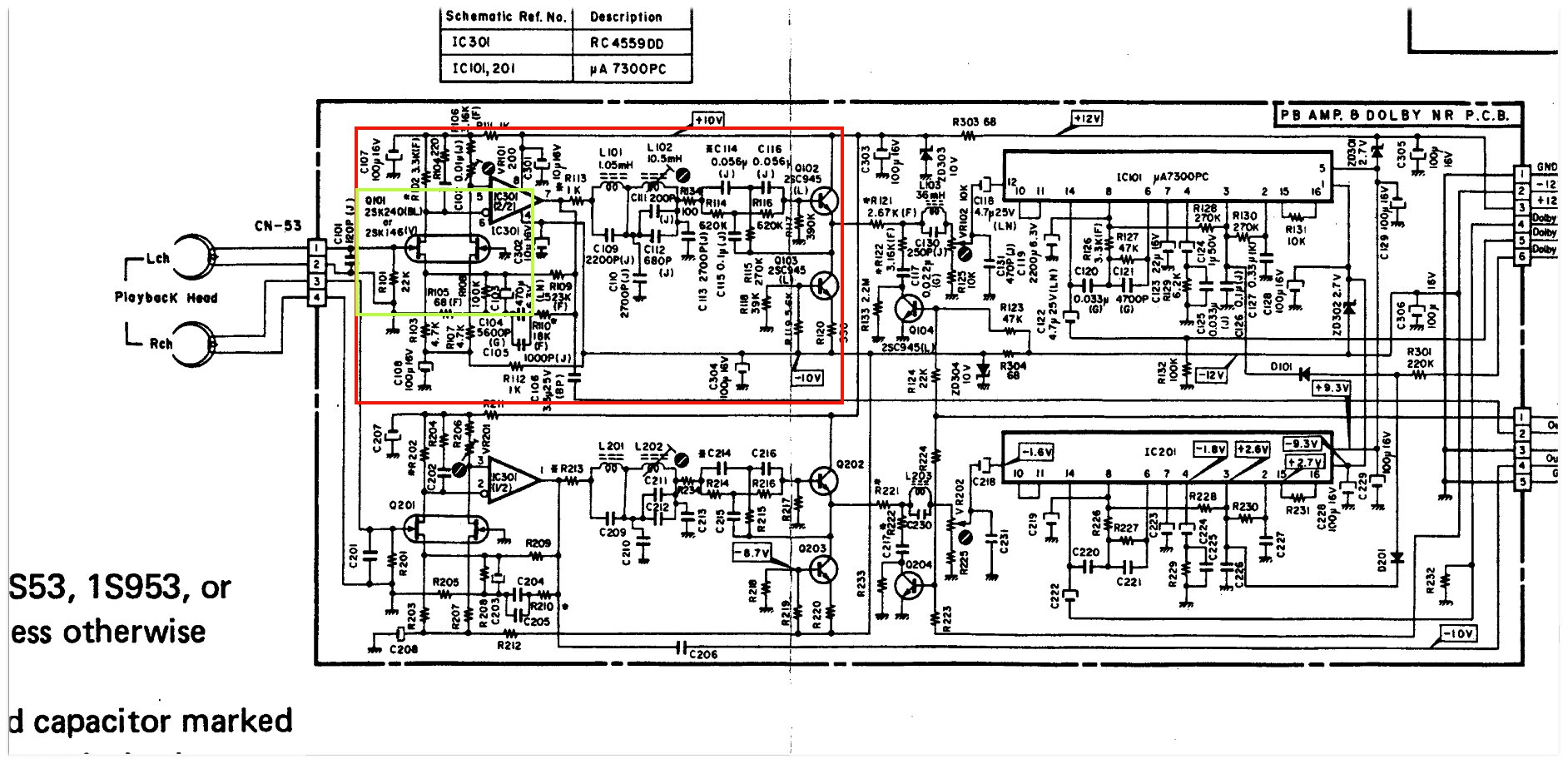
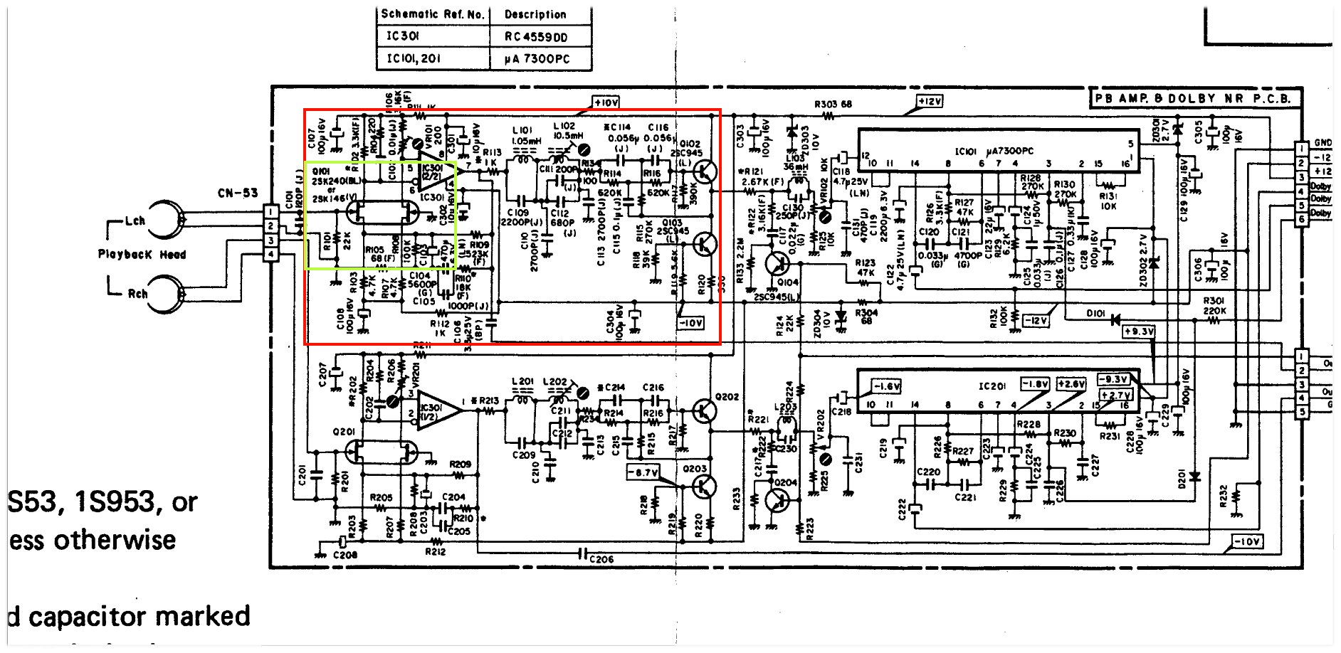
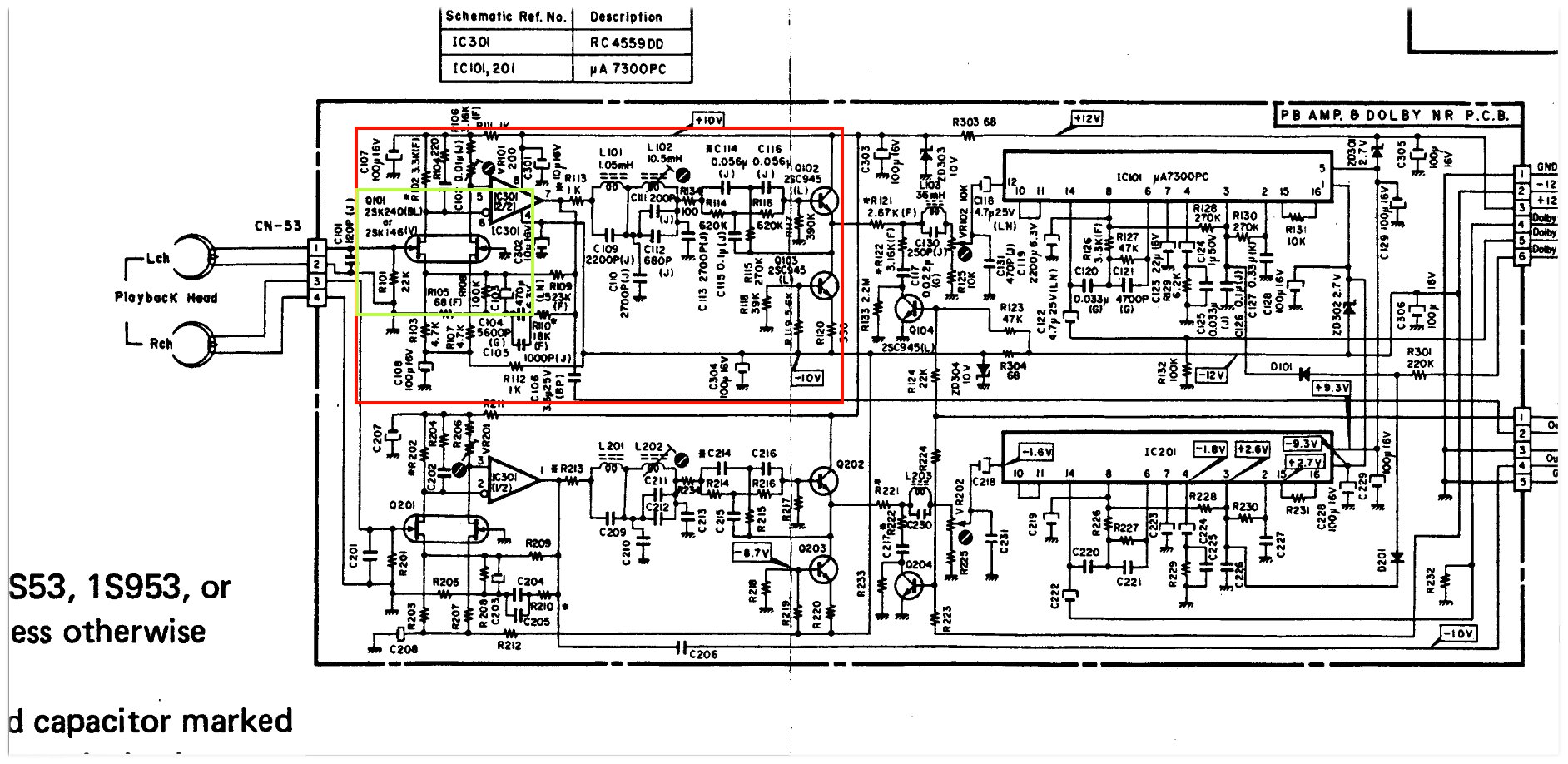
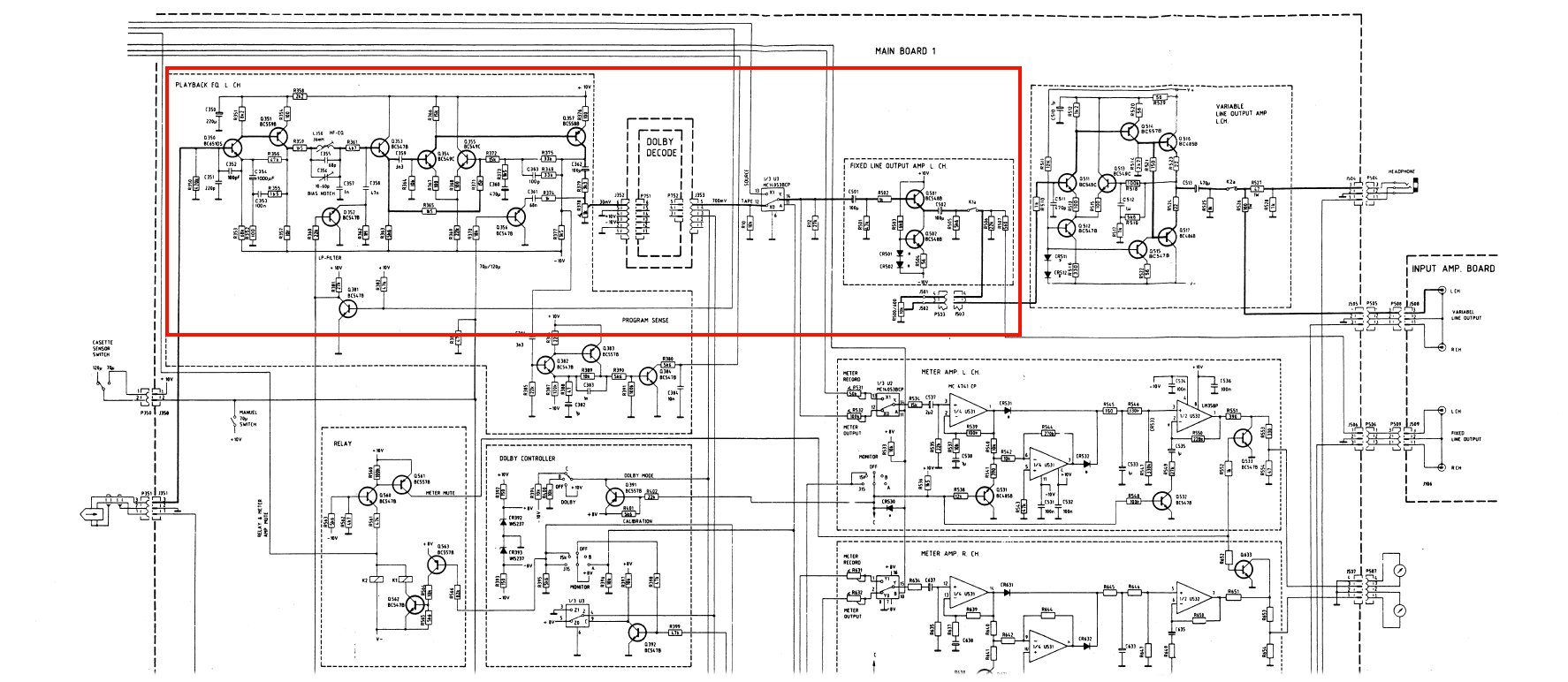
Nakamichi 1000ZXL의 palyback amp 회로. 최 전단에 오디오용 트랜지스터 중 가장 음질이 우수하기로 유명한 2SK146을 채용하였고 이어 트랜지스터 회로로 구성 되어 있다. 뒷단에 uA7300PC라는 Dolby IC 채용은 어쩔수 없다. Dolby 회로를 디스크리트 회로로 구성은 생각 할 수 없는 일.

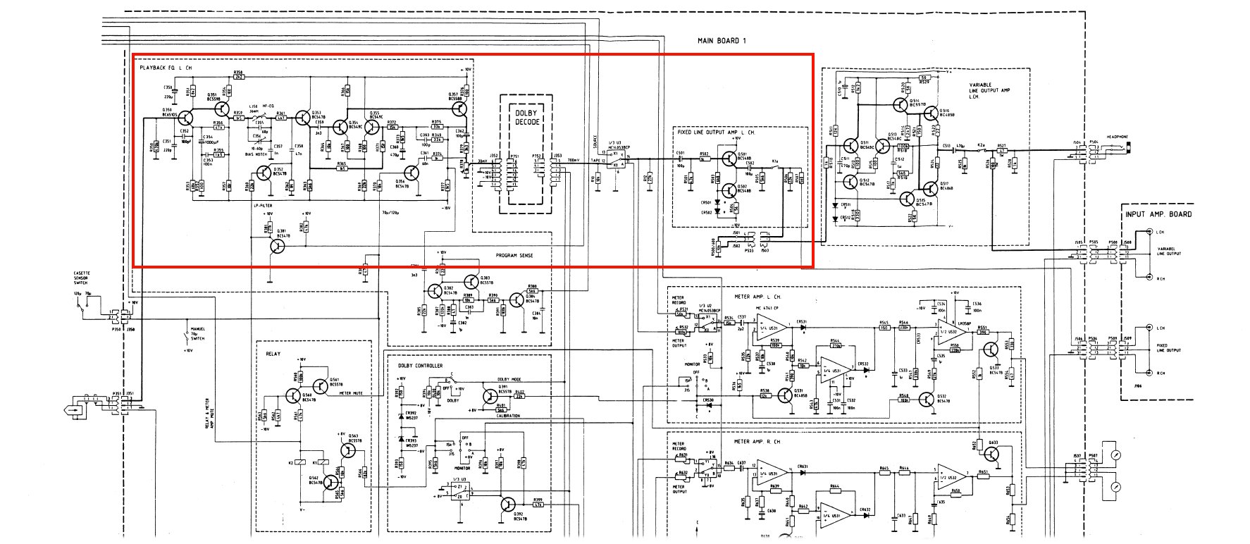
Nakamichi Dragon의 palyback amp 회로. 초단 증폭을 역시 높은 평가를 받는 오디오용 fet 인 2SK170GR을 사용하였다. 사실 2SK146 듀얼 fet는 이 2SK170GR fet를 선별하여 증폭율이 같은 것을 하나의 메탈 캔에 패키징 한 것.

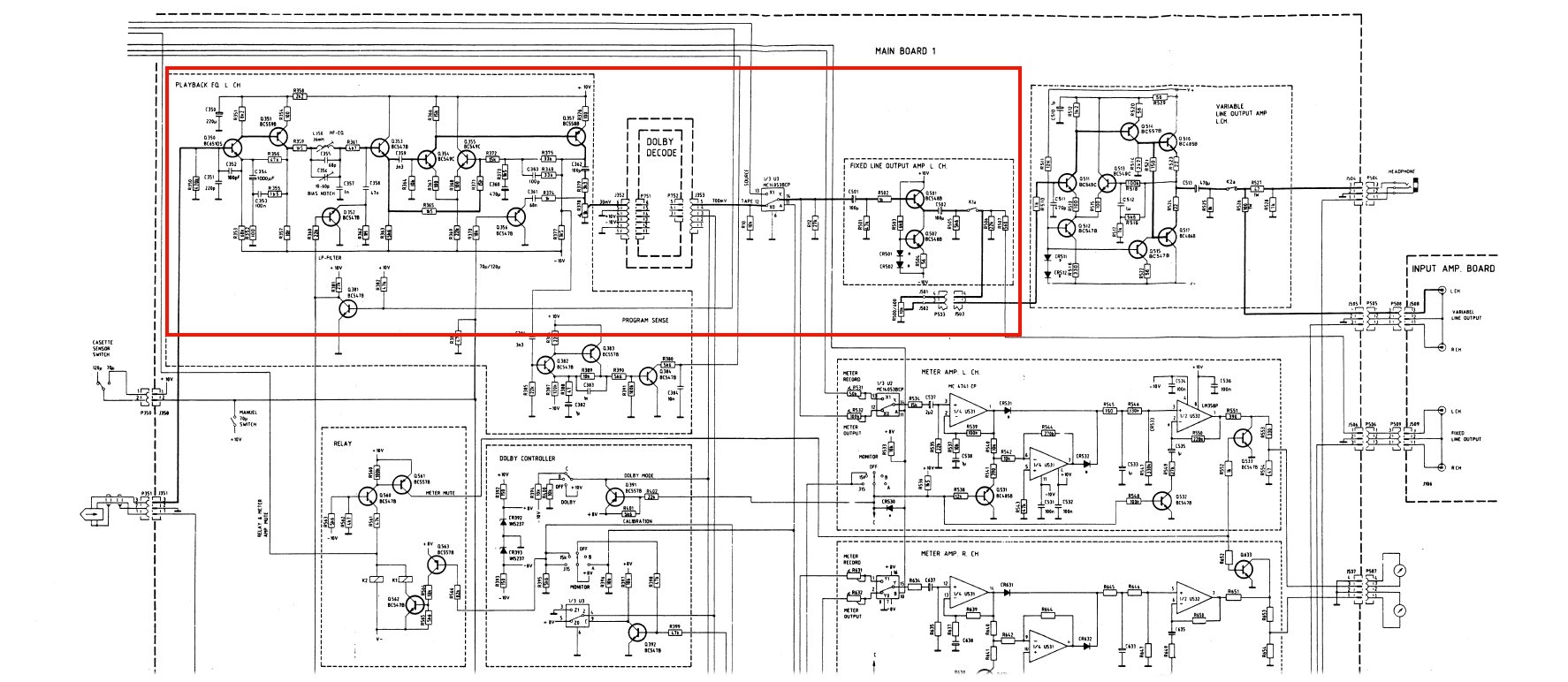
Tandberg 3014A의 palyback amp 회로. 모두 디스크리트 Bipoar transistor로 구성되어 있고 Dolby 회로에만 IC를 채용하는 듯 오디오 신호 단에는 가능한 디스크리트 트랜지스터로 회로를 구성하였다. 그 결과인지 개인적으로는 가장 고음질, 고품격의 소리를 내준다고 생각한다.

최고의 음질을 낼 수 있는 palyback amp 회로를 알아보고자 채용한 金田( 가네다) 식 증폭 회로.
초단에 2SK146 듀얼 fet과 같은 급의 2SK240을 사용하였다. 회로 단에 전해 콘덴서가 하나도 없이 필름 콘덴서만으로 구성


사용하는 테이프는 크롬및 메탈 테이프만을 사용할 것이므로 EQ 시정수는 70uS로 국한 하였는데 추후에 정식적인PCB를 제작 한다면 릴레이 회로를 더하여 일반 Fe 테이프에 사용하는 120uS로 절환할 수 있도록 하면 된다.
또 개인적으로 음질에 저해 되는 Dolby 회로를 통하여 녹음과 재생은 하지 않을 것이므로 재생 헤드에서 출력까지 셀렉터 하나 없는 스트레이트한 회로를 구성할 수 있다.

니켈 수소 충전식 배터리를 이용하여 +,-18V를 만들어 공급.

시험 카세트 데크는 작년에 중고 시장에서 구한 Kenwood KX-880G 데크. 매커니즘은 잘 구동이 되는데 제어 IC불량으로 재생및 녹음 회로는 동작치 않아 저렴하게 구입 했다.

추후에 실험에 사용할 3 헤드 . 30년 전 쯤에 구입해 놓은 신품으로 play back head 부분만 사용할 예정
증폭도가 살짝 낮아 볼륨을 다소 올려 주어야 하지만 매우 청명하고 자연스러운 소리가 난다.
배터리 전원의 장점이 고역 부분에서 해상력이 우수한 반면 약간의 펀치력 부족도 느껴진다. 좀 더 에이징을 시키고 좋은 plyback 전용 헤드를 사용하면 증폭율도 약간 높아지고 더 좋은 소리를 낼 것으로 생각된다.
배터리 구동 대신 고정밀 정전압 전원으로 바꿀 예정인데 좀 더 중 저역이 안정적인 소리를 들려 줄 것으로 기대 된다.
녹음및 재생용으로는 완전 Upgrade 및 Calibeation 이 된 Tandberg 3014A, Revox B215 2대가 있으니 여기에 맡기면 되고 재생 전용으로 극한의 성능을 맛보고 싶다.
'Audio recording' 카테고리의 다른 글
| Akai GX 77 릴 데크 (0) | 2024.02.28 |
|---|---|
| 진공관식 카세트 play back amp (1) | 2024.02.06 |
| 보유 하고 있는 reel master tape 목록 (2) | 2024.01.29 |
| Revox B77 릴 테이프 데크 도색 (1) | 2024.01.28 |
| Revox B77 mk2 4 track Overhaul /upgrade (0) | 2024.01.22 |
