검색결과 리스트
글
Studer A807 수리 및 캘리브레이션
경기도 화성에서 의뢰 받은 기기. 3주전 쯤 테크닉스 RS1500 데크 에 대한 정비 및 캘리브레이션을 하신 분이 갖고 계신 기기로 사용중이지만 고가의 정밀 기기인 만큼 캘리브레이션을 해서 좀 더 완벽하게 해서 사용하는게 좋겠다는 조언을 듣고 맏기셨다.

오랜 세월의 흔적이 남아 있는 분리형 모델.

헤드의 닳음도 약 3 mm 정도에 육박하여 고역 주파수대의 감소가 살짝 걱정되었다.

일단 입고 테스트로 1 KHz tone 주파수를 재생하여 보니 약간의 우우 하는 소리가 들린다. 이는 핀치롤러가 노화 되어 표면이 닳아 테이프를 제대로 캡스턴 모터 축에 밀착 시키지 못하거나 미세한 slip 현상이 일어날 때 생기는 현상이다. 재생은 그런대로 사용에 지장이 없지만 녹음까지 하면 그 영향이 배가 되어 조치가 필요하다. 내부를 열어 핀치롤러를 밀어 올리는 Solenoid 간격을 끝까지 올려 보아도 별 소용이 없다. 결국 새로운 핀치롤러가 필요한데 마침 보유하고 있는 것이 소진되어 독일에 주문을 넣었다.

15 ips 속도에 대한 NAB와 CCIR EQ 및 7 1/2 NAB EQ에 대한 재생 캘리브레이션을 정상적으로 완료 하고 녹음 캘리브레이션을 위해 녹음 버튼을 누르니 누르자 마자 녹음 기능이 해제 되어 버린다. 이상한 것은 한쪽 채널로만은 녹음 기능이 되는데 스테레오 양쪽 채널을 모두 녹음으로 설정하고 녹음 버튼을 누르면 해제 되어 버리는 현상이 계속 반복된다.
녹음을 마지막으로 해 본 것이 언제 였나고 문의 하니 2~3 달전이고 그 때는 정상적으로 녹음이 되었다고 한다. 아마 그 사이 언제인가 고장이 났을 가능성이 많은데 지금 발견된 것.. ㅠㅠ

오디오 신호 보드 에 대한 점검. 채널 별로 2개가 있다. 회로도를 따라 이런 현상이 일어날 만한 곳. 특히 +,-15V 가 사용되는 곳을 모두 점검하고 OP amp IC 등을 새것으로교체 해 보았다. 전해 콘덴서 일부도 교체 해도 거의 같은 증상.

매우 복잡한 전체 제어 보드 . 이쪽 부분에서 고장이 일어나면 진짜 원인을 찾기 힘들다. EPROM 및 CPU 가 있는 부분으로 일단 EBAY에 찾아 보니 신품 보드가 있어 만약을 위해 일단 주문을 해 놓았다. 배송료및 관세까지 더하면 80만원 이상.
비싸지만 대안이 없다. 대략 도착 까지는 2 주 정도 걸리므로 그 간에 서비스 매뉴얼을 탐독하고 회로도를 추적하여 원인을 찾아 나가지만 좀처럼 진전이 없다. 그 사이 세운 상가에 가서 5532, 4559 OP amp IC 및 TTL 논리 IC 등을 사서 교체 보아도 요지 부동.

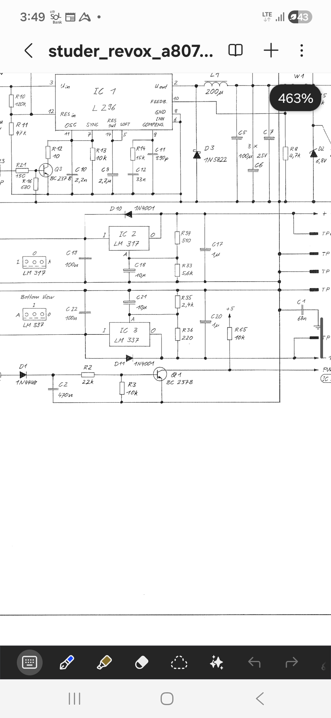
답답한 마음에 인터넷 커뮤니티에서 Studer A807의 고장 및 수리에 관한 글을 찾아 통독하여도 마땅한 해결책이 없어 tapehead.net 커뮤니티에 질문을 했더니 그런 고장은 전원부 문제 가능성이 가장 크니 다시 한번 체크 해 보라는 답변이 올라 왔다. 전압을 찍어 보니 분명 +,-15V 가 나오고 있어 의심을 안했는데 처음 부터 다시 살펴 보기로 했다. 다이오드 및 정류용 전해 콘덴서 그리고 정전압 레귤레이터 IC를 살펴보니 IC를 방열판에 밀착시켜 주는 클램퍼가 허술해서 방열판에 제대로 밀착 되지 못한 것이 발견되었다. 그 틈은 아주 미세하여 자세히 보지 않으면 안되어 처음에는 그냥 지나쳤던 것이다.

결국 가장 의심이 되는 LM317과 LM337 IC를 신품으로 교체 해보기로 하고 일단 LM317T를 교체 하고 방열판에 순간 접착제를 사용하여 완벽하게 밀착 시켰더니 '빙고'
아마 그 IC가 방열판에 밀착되지 못하고 약화 되어 있다가 전류가 많이 먹는 스테레오 녹음 모드로 들어가니 전압이 떨어지면서 녹음 기능이 계속 해제 되었던 것 같다.

그 이후 녹음 캘리브레이션까지 잘 마친 상태. 이번 기회를 통해 Studer A807에 대한 공부를 많이 하게 되었다.
'Audio recording' 카테고리의 다른 글
| Studer A810 수리 26년 3월 9일 (0) | 2026.03.10 |
|---|---|
| Akai GX 747 LED meter model 수리 및 캘리브레이션. (0) | 2026.03.02 |
| Revox A77 mk3 2 track 오버홀, 캘리브레이션. (0) | 2026.03.01 |
| Revox A77 4 track reel deck. 수리 및 오버홀, 캘리브레이션 (0) | 2026.02.12 |
| 30년전 레코딩 한 CD (0) | 2026.02.06 |
