검색결과 리스트
글
reel tape deck head amp
경남 김해에 사시는 오디오 애호가가 제작한 릴 테이프 데크용 헤드 앰프.
이분은 나그라 4S를 비롯한 몇대의 릴 데크를 보유 하고 계시는데 이번에는 리복스 PR99 데크를 트랜스포트로 사용하여 NAB와 CCIR을 쉽게 똑딱 스위치 하나로 절환하여 사용하면서도 진공관을 통해 최고의 음을 얻고 싶다고 하시면서 제작하셨다.

전용 랙을 제작하여 리복스 PR99를 올리고 밑에 Ali에서 구입한 골드문트 프리 앰프 replica 새시를 이용하여 꾸몄다.
전제적인 모습이 매우 견고하면서도 세련되어 보인다.

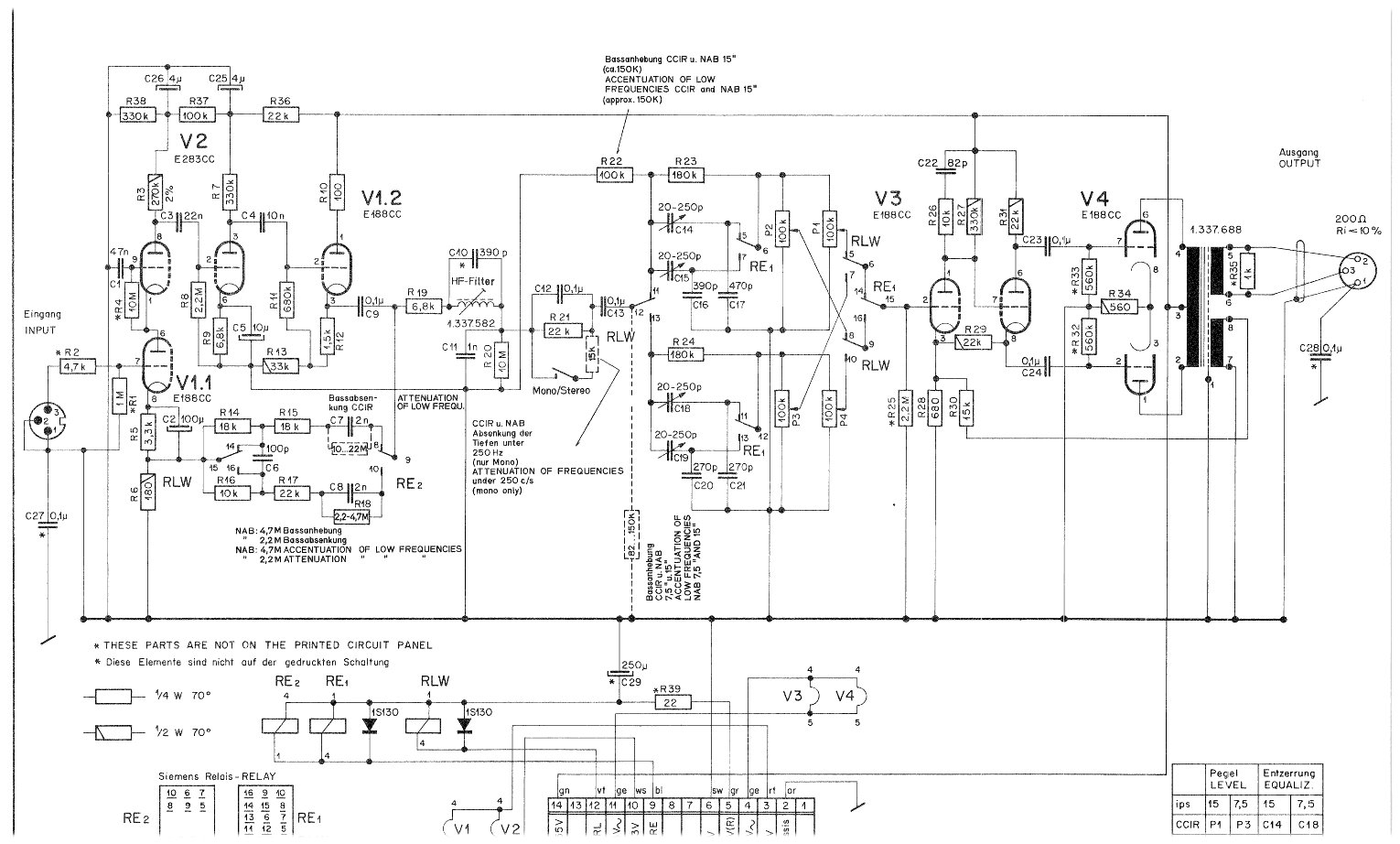
진공관 회로는 마란쯔 7 방식을 응용한 것으로 스튜더 C37 및 리복스 G36 등 진공관식 릴 테이프 데크의 회로 들을 검토한 결과 모두 NFB 형태의 EQ를 사용하고 있어 CR 타입의 EQ 대신 결정하였다고 한다.
진공관은 텔레푼켄 각인관을 사용한 것으로 보이는데 음질 결정에 영향을 주는 커플링 콘덴서 선택에서 몇가지 후보를 실제 청음을 하면서 결정하였다고 하는데 최종 선택은 입력 부분에 Mundolf Film , 중간단에 V cap Film 콘덴서를 사용하여 넓은 대역의 음이 전송되도록 하고 마지막 단은 음질에 영향을 많이 미치는데 여러가지 바꾸어 가며 테스트한 결과 Jensen의 알류미늄 포일 콘덴서를 사용하였을 때 가장 충실한 중,저역이 얻어져 최종적으로 이로서 정착 하였다고 한다.
왼쪽 부분의 노란색 릴레이 2 개가 각각 사용하여 NAB와 CCIR EQ회로를 선택한다. 이는 EQ단의 신호 경로를 최대한 짧게 유지 하려는 의도이다.
참고로 이 기판은 구미의 아날로그 오디오 랩에서 제작한 것으로 필요한 분은 저에게 연락 하면 된다. ( 010 육칠칠삼 5828 )
진공관식 전원부 및 VU 미터를 사용할 수 있는 기판도 마련 되어 있다.


정류는 진공관 방식의 정전압 회로를 꾸며 사용하엿다.

릴 테이프 데크에서 나오는 출력은 대략 1~ 3 mV 로 MM 카트릿지 출력 보다는 적고 고출력 MC 카트릿지 출력 정도이다. 그래서 입력단에 승압 트랜스포머를 사용하는 것이 좋다.
직결하여 입력 시켜도 되지만 청감상 충분한 음량이 느껴지지 못하고 프리 앰프의 볼륨을 올려도 어딘가 음량은 올라가지만 좀 음이 터지지 못하는 느낌을 주게 된다.
룬달 트랜스포머 중에서 MC 승압 트랜스로 사용할 수 있는 1 :8 ~ 1:16 승압비를 가지는 것을 채용하려고 했지만 보유하고 있는 Cotter MK2 트랜스포머를 붙여 사용한 결과 아주 만족스러운 결과를 얻었다고 한다.
오디오 애호가 사이에는 Koetsu MC 카트릿지와 상성이 좋은 MK2 L 이 더 인기가 있지만 테이프 헤드 앰프용으로는 MK2 타입과의 매칭이 좋다.



국내에도 몇 대 들어와 있는 것으로 알려진 Studer C37
'Audio recording' 카테고리의 다른 글
| Revox PR99 수리및 개조 7 (0) | 2023.12.04 |
|---|---|
| 상투스 공연 라이브 녹음 (0) | 2023.11.14 |
| Pioneer RT-909 reel tape deck 헤드 relapping (0) | 2023.11.08 |
| 나그라 4S 릴 테크를 통한 라이브 녹음 가이드 (1) | 2023.11.02 |
| Pioneer reel deck RT 909 업 그레이드 (2) | 2023.10.05 |